HTH.COM
HTH.COM
关于我们
公司概况
HTH.COM
发展历程
企业荣誉
公司架构
核心产品
全自动玻璃盖板印刷系
全自动烘烤炉系列
3D玻璃全制程系列
其他
HTH.COM
公司动态
行业资讯
视频中心
投资者关系
公告
信息披露
招贤纳士
员工福利
招贤纳士
HTH.COM-华体会(中国)
EN
/
中文
语言
导航
EN
中文
HTH.COM
关于我们
公司概况
HTH.COM
发展历程
企业荣誉
公司架构
核心产品
全自动玻璃盖板印刷系
全自动烘烤炉系列
3D玻璃全制程系列
其他
HTH.COM
公司动态
行业资讯
视频中心
投资者关系
公告
信息披露
招贤纳士
员工福利
招贤纳士
HTH.COM-华体会(中国)
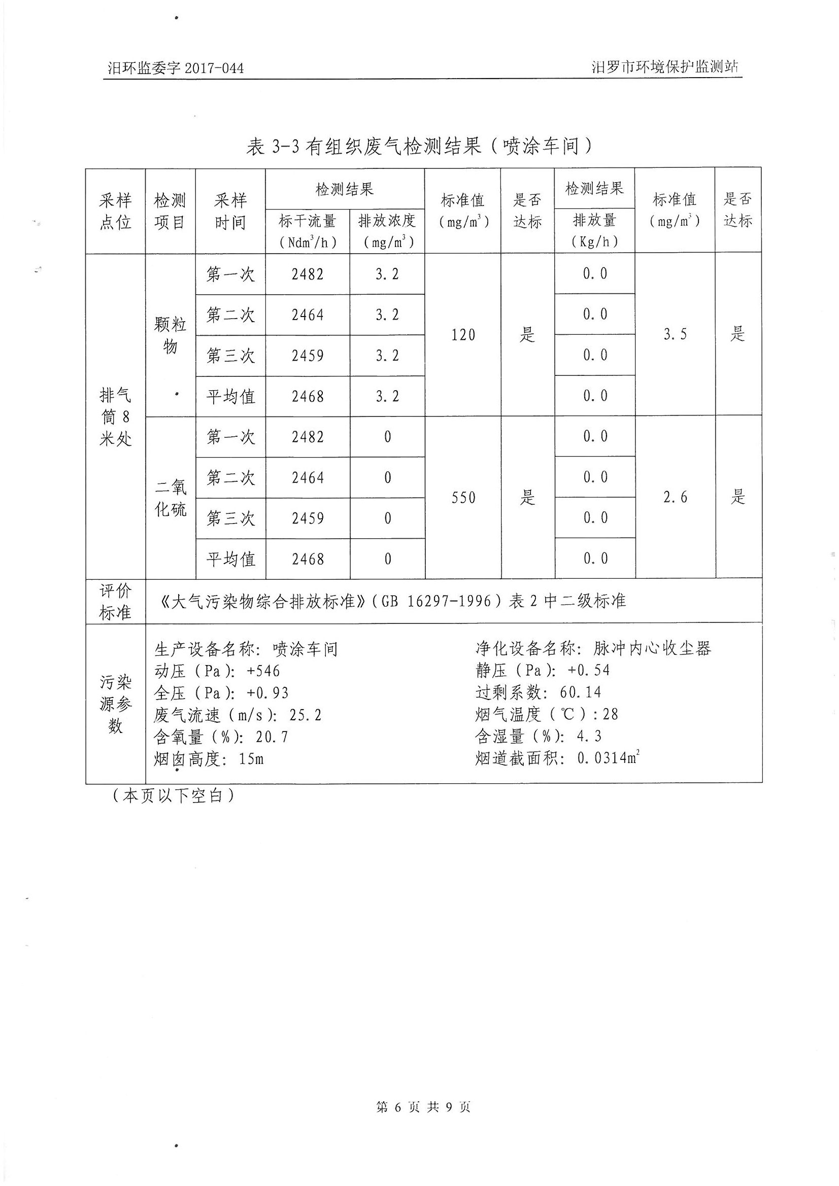
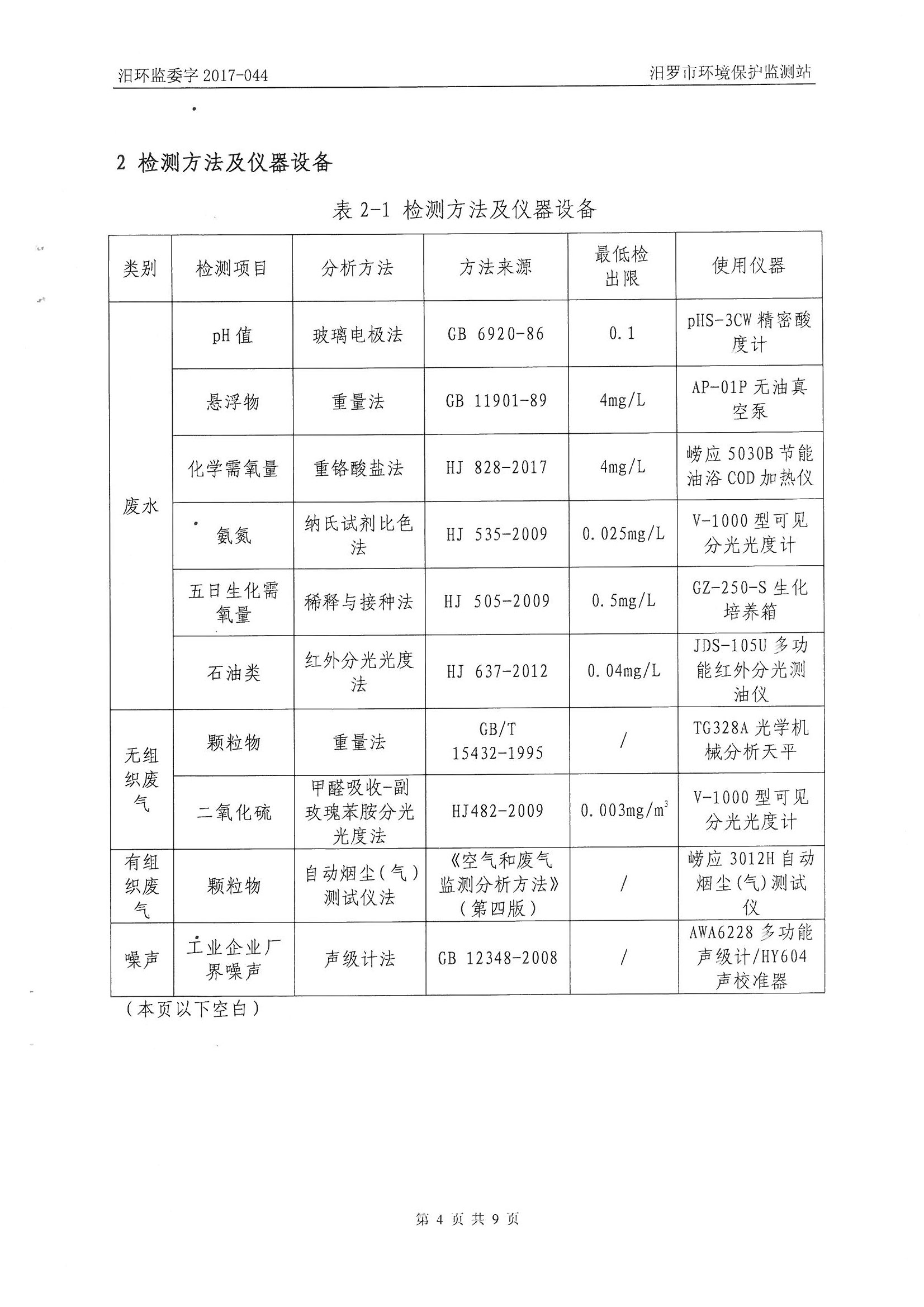
HTH.COM-华体会(中国)环保监测报告
所属分类:
公司动态
发布时间:
2017-08-22
分享到:
Copyright © 2014-2016 HTH.COM-华体会(中国) 版权所有 湘ICP备17016185号 执照认证链接
关闭